fun88·乐天堂(中国)-官方网站
Menu
首页
关于fun88乐天堂
fun88乐天堂简介
组织架构
合作院校
企业荣誉
企业文化
新闻中心
公司新闻
新硫快讯
产品介绍
安全环保
科技创新
人力资源
人才战略
联系我们
x
全站搜索
搜索
当前位置:
首页
>
安全环保
安全环保
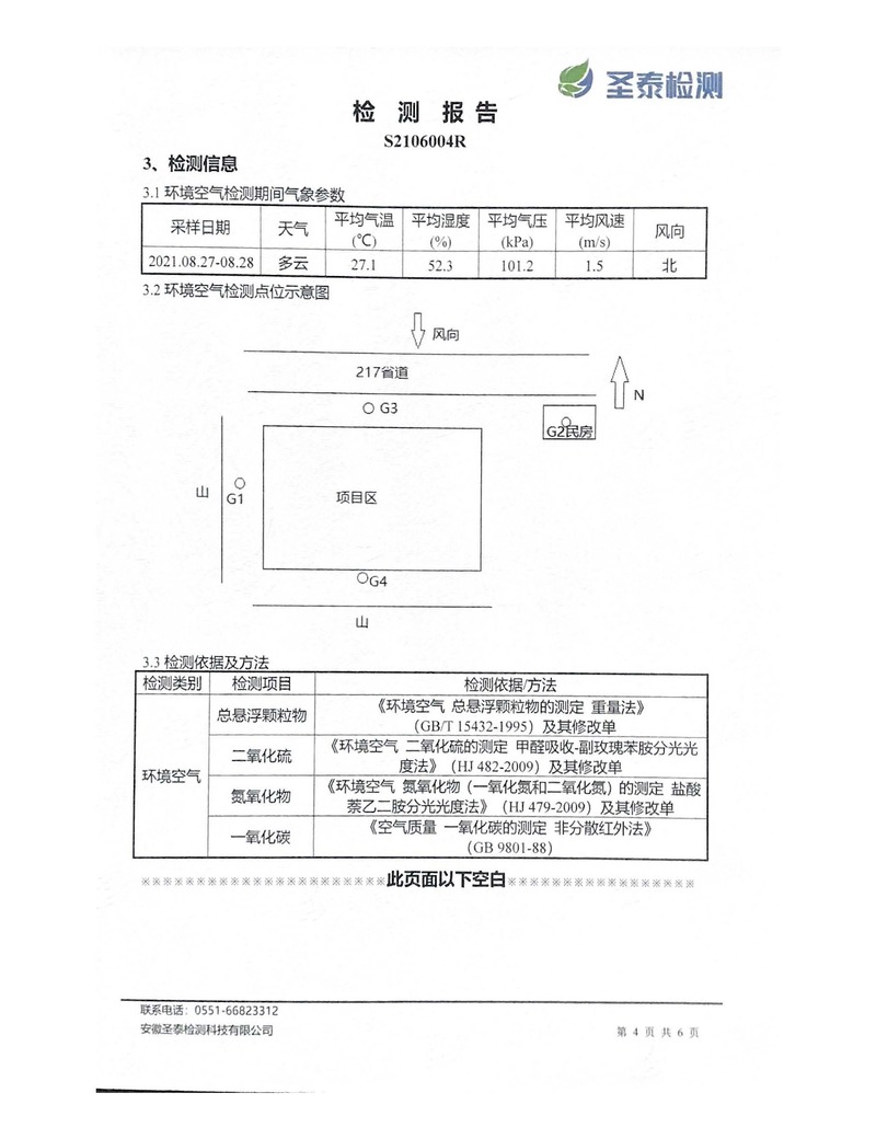
矶山风井24小时环境空气检测报告
发布时间:
2021-11-08 09:40
阅读次数:
8500
分享:
fun88乐天堂2022年外排水自行监测指标
fun88乐天堂露天转地下开采采矿技改工程(一期)竣工环境保护报告